+86-0523-83274900
Khớp nối bộ điều hợp Storz - nam Machino
Trang chủ / Sản phẩm / Bộ điều hợp / Khớp nối bộ điều hợp Storz - nam Machino

Khớp nối bộ điều hợp Storz - nam Machino

Khớp nối bộ điều hợp được sử dụng để kết nối hoặc chuyển đổi giữa các tiêu chuẩn và loại phụ kiện khác nhau. Chúng cho phép các giao diện không tương thích khác được kết nối với nhau một cách liền mạch.

Khớp nối bộ điều hợp bao gồm, nhưng không giới hạn ở: Tiếng Đức đến Storz (nam/nữ), Đức đến lâm nghiệp, tiếng Đức để tự khóa người Đức, tiếng Đức đến mặt bích, tiếng Đức đến nhiều răng, Storz nam đến Storz Nữ, Storz to Lâm nghiệp, v.v.
Tất cả các loại khớp nối bộ điều hợp có thể được tùy chỉnh theo yêu cầu.

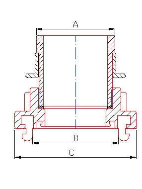
Kích thước Tài nguyên

Mục không.

Din/mm

Dia

A/mm

B/mm

C/mm

/

25/40

1 "/1,5"

29

53

82

25/50

1 "/2"

29

66

98

25/65

1 "/2,5"

29

76

110

25/80

1 "/3"

29

89

126

40/40

1,5 "/1,5"

43.6

53

82

40/50

1,5 "/2"

43.6

66

98

40/65

1,5 "/2,5"

43.6

76

110

40/80

1,5 "/3"

43.6

89

126

50/50

2 "/2"

55.6

66

98

50/65

2 "/2,5"

55.6

76

110

50/80

2 "/3“

55.6

89

126

65/65

2,5 "/2,5"

68.5

76

110

65/80

2,5 "/3"

68.5

89

126

80/80

3 "/3"

81.5

89

126

* Vật liệu và quy trình sản xuất có thể được tùy chỉnh theo yêu cầu.
* Các yêu cầu khác (như áp lực làm việc, áp lực nổ, v.v.) cũng có thể được tùy chỉnh khi cần thiết.

Jiangsu Jinding Công ty TNHH Công nghệ phòng cháy chữa cháy, Ltd.
Công ty TNHH Jiangsu Jinding Jinding, Ltd., nằm trong Khu phát triển kinh tế Jiang Su Xinghua, được thành lập năm 1998. Đây là một công ty công nghiệp tích hợp thiết kế, phát triển, sản xuất và bán hàng. Công ty đã thông qua chứng nhận hệ thống chất lượng và chứng nhận hệ thống chất lượng ISO9001: 2015, và các sản phẩm liên quan đã có được báo cáo kiểm tra của Trung tâm kiểm tra và giám sát chất lượng thiết bị chữa cháy quốc gia.
Công ty chúng tôi chủ yếu sản xuất nhiều dòng sản phẩm, bao gồm khớp nối chữa cháy, vòi phun nước, trụ cứu hỏa, khớp nối ống đường kính lớn và khớp nối cấp nước cho mỏ dầu. Các sản phẩm này được sử dụng rộng rãi trong phòng cháy chữa cháy, dầu khí, hóa chất, quân sự và các ngành công nghiệp khác..
Công ty có khả năng R & D độc lập tốt và có một bộ quy trình sản xuất hoàn chỉnh như sản xuất nấm mốc, chế biến sản xuất và thử nghiệm sản phẩm. Đồng thời, Enterprise coi trọng các yêu cầu của khách hàng, kịp thời nắm bắt được động lực thị trường, liên tục phát triển và sản xuất các sản phẩm mới, và giành được sự tin tưởng và khen ngợi của khách hàng mới và cũ.
Công ty cung cấp đáng tin cậy Khớp nối bộ điều hợp Storz - nam Machino và các dịch vụ chuyên nghiệp dựa trên cam kết chất lượng và quan hệ đối tác hợp tác, phấn đấu xây dựng mối quan hệ hợp tác bền vững với khách hàng.
27+

27 năm công nghiệp Kinh nghiệm sản xuất

Giấy chứng nhận
Tin tức
Hãy để một cuộc trò chuyện
Chỉ cần nói xin chào và chúng tôi sẽ bắt đầu một sự hợp tác hiệu quả. Bắt đầu câu chuyện thành công của riêng bạn.
Cần thiết bị cho doanh nghiệp của bạn?
Hãy để nhóm của chúng tôi cung cấp cho bạn các giải pháp tùy chỉnh.