+86-0523-83274900
John Morris Lửa ống khớp nối

John Morris Lửa ống khớp nối

Khớp nối vòi lửa John Morris có thể được phân loại thành 2 loại dựa trên Hình dạng của đuôi:
1. Khi được kết nối với vòi, vòi được đặt ở phía ngoài của ống xả và được kết nối bằng cách sử dụng Phương pháp nén vòng nhôm.
2. Đuôi có gân kết thúc loại: Khi được kết nối với vòi, vòi được đặt ở phía ngoài của ống xả và kết nối bằng phương pháp liên kết dây.

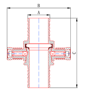
Kích thước Tài nguyên

Mục không.

Din/mm

Dia

A/mm

B/mm

C/mm

DN

40

1,5 "

38

136

153

65/40

2,5 "/1,5"

38

182

201

65/45

2,5 "/1,75"

44

182

201

65/50

2,5 "/2"

51

182

201

65

2.5 "

63.5

180

200

150

6 "

152

297

351

* Vật liệu và quy trình sản xuất có thể được tùy chỉnh theo yêu cầu.
* Các yêu cầu khác (như áp lực làm việc, áp lực nổ, v.v.) cũng có thể được tùy chỉnh khi cần thiết.

Jiangsu Jinding Công ty TNHH Công nghệ phòng cháy chữa cháy, Ltd.
Công ty TNHH Jiangsu Jinding Jinding, Ltd., nằm trong Khu phát triển kinh tế Jiang Su Xinghua, được thành lập năm 1998. Đây là một công ty công nghiệp tích hợp thiết kế, phát triển, sản xuất và bán hàng. Công ty đã thông qua chứng nhận hệ thống chất lượng và chứng nhận hệ thống chất lượng ISO9001: 2015, và các sản phẩm liên quan đã có được báo cáo kiểm tra của Trung tâm kiểm tra và giám sát chất lượng thiết bị chữa cháy quốc gia.
Công ty chúng tôi chủ yếu sản xuất nhiều dòng sản phẩm, bao gồm khớp nối chữa cháy, vòi phun nước, trụ cứu hỏa, khớp nối ống đường kính lớn và khớp nối cấp nước cho mỏ dầu. Các sản phẩm này được sử dụng rộng rãi trong phòng cháy chữa cháy, dầu khí, hóa chất, quân sự và các ngành công nghiệp khác..
Công ty có khả năng R & D độc lập tốt và có một bộ quy trình sản xuất hoàn chỉnh như sản xuất nấm mốc, chế biến sản xuất và thử nghiệm sản phẩm. Đồng thời, Enterprise coi trọng các yêu cầu của khách hàng, kịp thời nắm bắt được động lực thị trường, liên tục phát triển và sản xuất các sản phẩm mới, và giành được sự tin tưởng và khen ngợi của khách hàng mới và cũ.
Công ty cung cấp đáng tin cậy John Morris Lửa ống khớp nối và các dịch vụ chuyên nghiệp dựa trên cam kết chất lượng và quan hệ đối tác hợp tác, phấn đấu xây dựng mối quan hệ hợp tác bền vững với khách hàng.
27+

27 năm công nghiệp Kinh nghiệm sản xuất

Giấy chứng nhận
Tin tức
Hãy để một cuộc trò chuyện
Chỉ cần nói xin chào và chúng tôi sẽ bắt đầu một sự hợp tác hiệu quả. Bắt đầu câu chuyện thành công của riêng bạn.
Cần thiết bị cho doanh nghiệp của bạn?
Hãy để nhóm của chúng tôi cung cấp cho bạn các giải pháp tùy chỉnh.